Замена прокладки клапанной крышки
1. Сначала нужно ослабить регулировочную гайку троса привода дросселя 2. Потом сдвиньте резиновую втулочку троса и до конца отверните контргайку троса 3. Выведите трос из кронштейна4. Ключом «на 10» отверните две гайки крепления кронштейна к ресиверу (это для двигателя ВАЗ-2111) 5. Снимите его. 6. Крестовой отверткой ослабьте хомуты двух отводящих шлангов вентиляции картерных газов и выньте шланги с клапанной крышки.

7. Крестовой отверткой ослабьте хомут подводящего шланга вентиляции картерных газов и снимите его.
8. Ключом «на 10» отворачиваем две гайки крепления клапанной крышки.
9. Снимите клапанную крышку со шпилек. Если на ней остались части прокладки, удалите их острым лезвием и обезжирьте ее посадочное место.

10. В отверстиях крышки установлены резиновые уплотнительные втулки («Солдатики»). Лучше, если вы их замените.
11. Снимите прокладку клапанной крышки.

Где то год назад поехал я регулировать клапана, да не куда-нибудь, а на фирменную станцию ВАЗ в Могилеве (Березина-Лада) — не считайте это рекламой, а наоборот. Так вот: там рукожопый мастер мне их отрегулировал, взяли за это дело немалые деньги (около 50$) и я уехал. Но им повезло что я успел отъехать далековато, т.к. пошел дым из под капота(((. Когда я открыл капот — всё было забрызгано маслом. Этот рукожоп плохо поставил прокладку. Пришлось на месте всё доделать за него. Ездил вроде всё норм, но немного давило масло. А так как я планирую помыть двигатель, решил избавиться даже от намека на течь из под крышки.И так поехали)))Снимаем клапанную крышку:
Кстати я писал что пользуюсь маслом Лукойл, в этой статье я расписал все за и против по маслу Лукойл. Теперь смотрим под клапанную крышку — всё норм.Смотрим на саму крышку:

Полный размерпомытые стекают
Смотрим на цвет бензина:

Полный размервот такой герметик
Хорошо намазываем им на протертую от масла клапанную крышку: Берем прокладку силиконовую:

Полный размерсиликоновая прокладка
вставляем ее в крышку и так же промазываем:
Полный размермажем уже на прокладку

А теперь берем заранее приобретенные удлиненные шпильки (старые выкручиваем ключом на 13, новые закручиваем):
Полный размеркрышка на месте)Единственное: сразу не заводил, а дал постоять (как в инструкции написано). Всё на следующий день проверяем — всё сухо кругом)))Всё таки сам делаешь дольше но качественнее)))По ценам получилось:прокладка 70рублей Россиигерметик 40000 рублей белоруских (130 рублей России)шпильки 2 штуки по 30 рублей РоссииИТОГО 260 рублей РоссииИ напоследок: сегодня мы опять попали в ТОП Могилёв и сразу на 84 место)))

Полный размерУРА! Мы в ТОПЕ)))
ВСЕМ ДОБРА! Цена вопроса: 260 ₽.
Статья для тех, кто планирует самостоятельно выполнить работы по замене прокладки головки блока цилиндров на автомобиле ВАЗ 2114, 13,15.
- С двигателя 11183 (1,6i) снимаем декоративную накладку
- Отсоединяем трос привода от дроссельной заслонки и вместе с кронштейном крепления отводим в сторону радиатора
- Крестовой отверткой ослабляем хомуты крепления трех шлангов системы вентиляции картера. Снимаем шланги с патрубков крышки головки блока.
- Торцовым ключом на 10 мм отворачиваем две гайки крепления крышки головки блока цилиндров
- Снимаем с обеих шпилек шайбу и резиновую втулку.
- Снимаем крышку.
- Извлекаем прокладку из крышки.
- Отворачиваем пробку маслозаливной горловины.
- Торцовым ключом на 10 мм отворачиваем два болта крепления корпуса маслоотделителя.
- Снимаем корпус.
- Извлекаем сетки маслоотделителя.
- Промываем снятые детали в керосине, протираем ветошью и обдуваем сжатым воздухом (от шинного насоса).
- Собираем маслоотделитель в обратной последовательности.
Удаляем остатки масла с привалочной поверхности головки блока цилиндров, к которой прижимается прокладка крышки.
Укладываем новую прокладку в крышку
При установке, обратите внимание, что Радиусы с правой и левой сторон крышки разные. Убедитесь в том, что прокладка установлена правильно.
Наносим на углы прокладки тонкий слой герметика Локтайт-574 или аналогичного.
Устанавливаем крышку головки блока цилиндров в последовательности, обратной снятию.
Как заменить прогоревший клапан?
Заменить самому прогоревший клапан в домашних условиях легко, единственно вы должны знать, как снять головку с двигателя. А всю работу по замене и притирки клапана я объясню.
Буду исходить из того что вы никогда не меняли прогоревший клапан или меняли клапан но не успешно (клапан не держит и двигатель троит). Этот способ замены и притирки клапана подойдет для любой марки автомобиля, УАЗ, Жигули, Газ и т.д. все клапана в принципе одинаковы и только разница в размерах и расположении в головке двигателя, а притираются все одинаково.
Первое что надо сделать перед заменой и притиркой клапана, купить притирочный порошок (порошок бывает разный, сухой и готовый к использованию) сухой притирочный порошок надо будет развести любым машинным маслом (проще взять то масло что заливаете в свой двигатель) готовый притирочный порошок уже разведен. Разводить притирочный порошок для клапанов так, насыпьте в любую небольшую емкость можно даже в пробку от бутылки (его много не надо а добавить всегда можно) и залейте маслом чтоб получилась каша средней густоты. Видов притирочного порошка много, в принципе подойдет любой, но лучше если он будет помельче.
Также не забудьте купить новую прокладку под головку и сальники клапанов, даже если недавно меняли сальники клапанов все равно после притирки клапанов лучше поставить новые.
Обычно прогорают выпускные клапана, я не разу не видел чтобы прогорел впускной клапан. Поэтому купите клапан или клапана на замену, если есть хороший рабочий клапан, то можно поставить и его.
Клапана прогорают от разных причин, клапан был зажат, очень бедная смесь топлива (особенно если двигатель работает на газе), большой износ направляющей втулки клапана (клапан сильно болтается в направляющей втулки), или износ самого штока клапана (истирание штока клапана).
Притираем клапан к головке
Раз прогорел клапан значит также подгорело и седло клапана, обычно мотористы сначала седло выравнивают специальной шарошкой, которой у вас нет, нет так обойдемся без нее (проверенно двигатель ходит ничуть не хуже). Поражаюсь как некоторые мотористы притирают клапана в ручную (я б сума сошел) пусть за нас работает электродрель (если у вас дрель реверс лево-право еще лучше а нет и такая подойдет). Намажьте край клапана притирочным порошком вставьте клапан в головку и зажмите конец клапана в патрон дрели но не глубоко а на глубину примерно 15мм главное не поцарапать то место где клапан соприкасается с сальником. Подтягивайте дрелью клапан вверх и включайте пусть клапан притирается, делайте такие движения вверх немного вниз и опять вверх (думаю поняли) если дрель реверс переключайте вращение. На девятке или восьмерке тяжело добраться до клапана дрелью нужен очень маленький патрон, но можно сделать так возьмите крепкий кусочек армированного резинового шланга который очень плотно одевается на клапан, возьмите шпильку 8мм и натяните на нее этот кусочек шланга посильней, шпильку зажмите в дрель а другой конец шланга на клапан и также начинайте притирать клапан к седлу головки.
Очень важно правильно определить притерся клапан или нет.
Поработала за вас дрель при притирке клапана, теперь надо точно узнать притерся клапан или нет. Вытаскивайте клапан и протирайте тряпкой начисто, притертое место будет иметь серый матовый цвет а не притертое будет либо блестеть если клапан новый или отличаться от серого, а проще смотрите чтобы цвет клапана по кругу был одинаков и если есть оттенки цвета лучше пусть еще дрель поработает. Обычно клапан притирается сразу если он не кривой.

Фото. Плохо притертое седло клапана.
А вот седло клапана не всегда быстро притирается это зависит от того как глубоко оно прогорело, также протирайте начисто седло клапана и внимательно просмотрите цвет притираемой области если есть разные оттенки цвета, опять начинайте притирать, дрель железная пусть работает. Запомните, если плохо притрете клапан, то через некоторое время он опять прогорит, поэтому лучше лишний раз потереть клапан, чем через какое-то время он прогорит.
Еще совет, пусть у вас прогорел только один клапан, не поленитесь, притрите все клапана.
Фото. Переходник для притирки клапанов ВАЗ 08-09
Замена прокладки клапанной крышки на ВАЗ-2114 8 клапанов
начну свой рассказ о том что вовремя покупки машины с клапанной крышки подтекало масло, в скором времени была произведена замена замена прокладки. после зимы вновь обнаружилась потеря масла…сегодня было принято решение поменять прокладку и за одно произвести чистку фильтрующего элемента в клапанной крышке. Подъезжая в гараж увидел бокс 418 СТО “ДВС” спросил:-сколько стоит замерить компрессию?

-какая машина? -15…-а что с ней? -да хз, просто узнать скока там в горшках… что то плоха тянет.
-ну подъезжай выкручивай свечи замерим! подъехал такой мой гараж почти за стенкой данного СТО, открыл капот выкрутил свечи ( на редкость чистый изолятор белый как парное молоко…)-газ в пол и крути стартер-жжжжж жжжжж жж жж ж жж жж ж-харош…-крути…жжжжжжж жж ж жж ж жж ж-11,5 (2 целиндр), крути .
-жжжжжж емае мозг какого куя эта “прокладка” жмет на газ? мы же не заведемся?-мозг… а ХЗ наверно компрессию мерит…-харош 12.0 (3 целиндр), крути-жжжжжж жж жжж жжжжжжжжж-стой… 11,5 крути…-жжжжжжжжжжжжжжжжжжжж жжж жж ж ж-стой 12,0 (4 целиндр), давай еще раз в первом, крути.-жжжжжжж ж жж ж жж жж жж ж жж ж-стой 12,0 (в 1вом) ну а что за проблема то все нормально…посмотри сцепление возможно оно мозг парит и прокручивает на высоких оборотах.-спасибо (пожал руку) поехал менять прокладку.

Замена прокладкии так потребуется нам1)прокладка клап. крышки 1 шт.2)резиновые уплотнители 2 шт.3) герметик (по желанию) я выбрал 1 из 3х моделейа) “хорс” прозрачный на обороте написано “не рекомендуется применять в местах взаимодействующих с бензином” ЕмаЕ какого Х он тогда автомобильный авто на 10% (наверно) состоит из бензина, и нефте продуктов.б) хз какй то белый на работе ВГО … на обороте опять же использовать в воздушных средах…г) ABRD Красный написано професионал юсе, ничего по русски на обороте нету… все по англ… вошем выбрал его)4) ключ на 105) ВД-40 (на всякий случай)6) еще взял остатки очистителя карбюратора… для отчистки крышки но толку от него мало…Процесс разбора1) Снять все патрубки идущие к клапанной крышке (3шт.)
2) Отвернуть 2 гайки ключом 10 с клапанной крышки, отвернуть 2 болта м6х16(10) с кронштейна тросика газа…3) снять крышку (ужаснутся).
4) открутить 2 бота м6х10 м6х40 внутри крышки для извлечения фильтрующего элемента… (похож на много терок марковки ).

5)промыть все что тока можно …6) попялится на распредвал… (подумать о его замене…).
7) просушить обезжирить паз крышки добавить герметик (можно и без него)8) собрать все в обратной последовательностиЛично я остановился на 5 пункте крышку забрал на работу завтра покажу как ее мне отчистят профессионально ;)продолжение следует Цена вопроса: 56 ₽ Пробег: 64 985 км
Если на стыке между клапанной крышки и блоком двигателя вы увидите течь, то это прохудилась прокладка крышки. Эта прокладка конечно не несет на себе очень важную функцию и двигатель при ее повреждении будет работать исправно. Но из под нее будет постоянно выдавливать масло, а это уже может привести к более не приятным проблемам.

Замена прокладки совсем не сложна и лучше ее произвести при первой же возможности и своими руками. И еще, при каждом снятии клапанной крышки Ваз 2110 2114 , да и на других автомобилях тоже, необходимо менять данную прокладку.
Как быстрей притереть седло клапана?
Иногда автолюбитель ремонтируя свою машину сталкивается с проблемой притирки клапана. Это проявляется в том что седло клапана выработалось не равномерно притираешь клапан а седло клапана притерлось не полностью. Приходится долго мучится притирая седло тем самым стирается и сам клапан. Можно воспользоваться шарошкой если она есть, но скорей всего нет, но шарошкой тоже можно испортить седло клапана если есть хоть маленький люфт в направляющей втулки. Поэтому не мастеру сильно не советую увлекаться шарошкой. Но есть хороший способ более быстрого выравнивания седла клапана. Если есть старый рабочий клапан, то проточите на нем пазы как показано на фото ниже, мажьте на него притирочный порошок и притирайте седло клапана. После того как притрете седло, притрите основной клапан.

Фото. Клапан для быстрой притирки седла клапана.
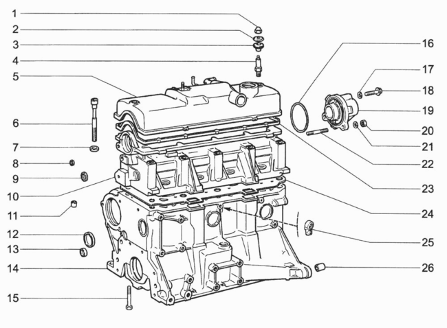
Конструктивные особенности двигателя на ВАЗ-2114

Процесс замены прокладки клапанной крышки
Перед тем, как непосредственно перейти к процессу, необходимо знать некоторые конструктивные элементы двигателя ВАЗ-2114.
Прокладка клапанной крышки расположена непосредственно под самой крышкой и это хорошо видно на схеме ниже.
Итак, для начала разберем, с чего состоит двигатель:

Схема-устройство компонентов ДВС
Теперь, когда известны все элементы, можно приступить непосредственно к процессу замены.
Процесс замены клапанной крышки

Клапанная крышка, демонтированная с двигателя ВАЗ-2114
Итак, для того чтобы заменить прокладку клапанной крышки на автомобиле, потребуется определенный инструментарий. Что же конкретно необходимо? Рассмотрим, этот вопрос: трещотка с удлинителем, головка на 10, отвертка с крестообразной насадкой.
Теперь, когда все готово, покупаем новую прокладку из списка, рекомендованного ниже, и можем приступить к работе.

Не забываем и о новом герметике.
Рассмотрим, последовательный этап выполнения операций по замене:
- Ослабляем хомуты и демонтируем шланги показанные ниже.

Показано, какие шланги необходимо демонтировать

Снимаем стопорною пластину и демонтируем трос газа

Процесс демонтажа кронштейна троса акселератора

Откручиваем крепежные болты клапанной крышки

Когда гайки откручены, необходимо снять уплотнители

Тянем крышку на верх




В процессе мойки сеток


Сажаем прокладку на герметик
Выбор прокладки
К выбору прокладки необходимо подходить тщательно. Так, некачественное резиновое изделие должно обладать хорошими химическими и технико-физическими качествами. Итак, рассмотрим возможные варианты приобретения прокладки клапанной крышки на ВАЗ-2114.
Оригинал (артикул)

Оригинальная прокладка клапанной крышки производства АвтоВАЗ
2108-1003270 – оригинальный каталожный номер прокладки клапанной крышки производства АвтоВАЗ. Она идеально подходит по посадочным креплениям и не требует доработок. Средняя стоимость составляет 300 рублей.
Аналоги (производители)

Прокладка клапанной крышки производства Goetze
Конечно, производитель и многие автомобильные эксперты рекомендуют устанавливать оригинальную прокладку клапанной крышки, но, как показывает практика, зачастую заменители имеют выше качество, а также срок службы намного дольше.
Итак, рассмотрим, какие аналоги оригинальной детали рекомендованы для установки на автомобиль:
Как видно, стоимость альтернативных прокладок достаточно высокая, но как показала практика, срок эксплуатации деталей в два раза больше, чем оригинал.

Прокладка клапанной крышки производства Elring
Причины выхода из строя прокладки
Когда все процессы разобраны и с выбором прокладки клапанной крышки решено, необходимо рассмотреть причины выхода из строя этого элемента:
- Износ . Пожалуй, самая распространенная причина, поскольку в процессе использования этот элемент имеет свойства трескаться, потому что на него постоянно воздействует горячее масло.
- Растяжка . Постоянно высокая температура негативно влияет на резиновое изделие, которое теряет свои физические свойства и растягивается, что влечет за собой неплотное соединение и пропускание смазочной жидкости.
- Масляные ручьи . Возникают вследствие пробоя прокладки. Обычно это случается после сильного перегрева двигателя.

Последствия несвоевременной замены

Грязная клапанная крышка и фильтрующие элементы
Последствий не так много, но они довольно веские, чтобы вовремя поменять прокладку. Во-первых, это связано непосредственно с вытеканием масла, при этом уменьшается объем в двигателе. Пусть незначительная потеря, но как раз ее может хватить для того, чтобы внутренние детали силового агрегата изнашивались быстрее.
Во-вторых, под клапанную крышку постоянно попадает воздух, который может повлиять на качество воздушно-топливной смеси и двигатель начнет «кушать» достаточное количество топлива.
В-третьих, через образовавшиеся щели могут попадать грязь и сторонние предметы, а также вода в зимний и дождливый период. Это может негативно сказаться на работе силового агрегата, головки блока цилиндров и других элементов, а также повлиять на работоспособность всей системы в целом.
В-четвертых, вытекшее масло загрязняет наружную часть блока, на который цепляется грязь. Она может также повлиять на работу силового агрегата и других элементов.
Заменить прокладку клапанной крышки на ВАЗ-2114 достаточно легко и просто. Сам процесс займет 20-30 минут, с которым справиться даже начинающий автомобилист.
Особое внимание необходимо уделить выбору прокладки, которая должна быть качественной и иметь большой срок службы
