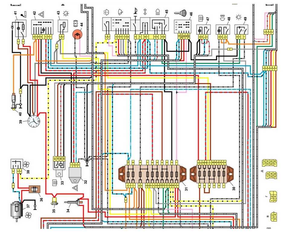
Центральная часть схемы электрооборудования ВАЗ-2106

Центральный кусок схемы в основном состоит из включателей/выключателей освещения и переключателей подачи тока в систему.
Главные элементы проводки указаны следующими цифрами:
- Комплект с основным блоком предохранителей (30);
- Выключатели освещения в фарах заднего хода машины (31), работы контрольных ламп при выставлении ручного тормоза (32);
- Разновидности штепсельных розеток у переносных ламп (33);
- Оборудование для работы указателя поворотника и аварийного сигнала (34);
- Конструкция электродвигателя печки (35) и клеммы для выключения работы стоп-сигнала (36);
- Реле подачи тока для прогрева заднего стекла (37);
- Комплект резисторов электродвигателя печки ВАЗ 2106 (38);
- Проводка к лампе света в вещевом ящике (39);
- Список выключателей наружного света (40), прогрева задней поверхности стекла (41), а также системы зажигания (42);
- Комплект переключателей с ближнего на дальний свет (43), стеклоочистителя (46) и стрелки-указателя поворота машины (44);
- Специальные типы выключателей сигнала машины (45), универсального смывателя для лобового стекла (47) и регуляторы света на приборной доске и сигнала при аварийной ситуации.
Как защищены основные элементов проводки машины ВАЗ-2106?
Электропроводка машины защищается с помощью плавких предохранителей, которые в основном устанавливаются в центральном и дополнительном блоке, расположенных в нижней части панели приборов по левую сторону рядом с рулевой колонкой. Цепь от аккумулятора к клеммам и проборам замыкается при включении зажигания автомобилем.
В случае повреждения одного из элементов цепи срабатывает предохранитель. При возникновении неисправностей основного комплекта предохранителей в работу включаются резервные, которые дополнительно установлены рядом с блоком зажигания. При обнаружении перегоревшего предохранителя недостаточно лишь заменить его – нужно детально изучить проводку и выяснить причину сгорания этой запчасти в ВАЗ-2106.
Схема электрооборудования и электропроводки должна помочь вам быстро найти и устранить неисправности в освещении фар, индикаторов приборной доски и других систем вашего ВАЗ-2106.
Левая верхняя часть схемы электропроводки ВАЗ-2106

Данная схема позволяет рассмотреть элементы передней части машины. Здесь указаны:
- Боковой левый и правый указатель поворота (1);
- Несколько подфарников (2);
- Наружные (3) и внутренние (4) образцы фар;
- Подключенный звуковой сигнал (5).
Далее располагаются внутренние элементы электропроводки машины, которые скрыты под капотом и кузовом. Сюда относятся:
- Клеммы электродвигателя обоих вентиляторов, входящих в систему охлаждения движка ВАЗ-2106 (6);
- Комплект датчиков, отвечающих за своевременное включение электродвигателя (7);
- 2 типа реле – один используется при включении звукового сигнала(8), а другой при регулировании работы электродвигателя системы охлаждения (9);
- Небольшой регулятор напряжений в машине (10);
- Катушки системы зажигания автомобиля (11);
- 2-ой электродвигатель, который отвечает за работу омывателя лобового стекла (12);
- Один из главных датчиков ВАЗ-2106 – он определяет уровень тормозной жидкости в машине и своевременно подает владельцу команду о несоответствии положенным нормам (13);
- Также в центре схемы отмечены распределитель системы зажигания (14) и двигатель для работы стеклоочистителя (15).
Завершает эту часть схемы следующее электрооборудование:
- Комплект свечей зажигания машины (16);
- Датчики, следящие за лампой давления смеси масла (17) и редуктор с указателем этого давления на панели (18);
- Также показано подключение датчика указателя текущей температуры в охлаждающей жидкости двигателя (19) и подкапотной лампы ВАЗ-2106 (10).
Конструкция проводки электрооборудования «шестерки»
Главная особенность, которой обладает схема ВАЗ 2106, заключается в том, что все выводы узлов и приборов со знаком «минус» напрямую соединены с «массой» корпуса авто. Благодаря своей конструкции электропроводка «шестерки» имеет следующее решение.
| Узлы | Характеристики |
| Основные эл. цепи машины. | Они приводятся в действие через замок зажигания. |
| Электрооборудование, отвечающее за безопасность. | Оно соединено с аккумулятором через блок предохранителей напрямую. |
| Основные узлы авто. | Все они имеют токопроводящие корпуса. |
Учитывая особенности, которой обладает эл. схема проводки «шестерки», важен следующий момент: замена любой детали должна проводиться после того, как с аккумуляторной батареи снята минусовая клемма. Если при ремонте вы коснетесь клемм и корпуса транспортного средства металлическими инструментами, то произойдет короткое замыкание. Специально для возможных внештатных ситуаций в авто ВАЗ 2106 независимо от положения ключа в замке зажигания под напряжением находится следующее электрооборудование:
- эл. цепь клаксона;
- лампы подсветки и стоп-сигналов;
- аварийная сигнализация;
- прикуриватель;
- розетка.
Если вы сами обслуживаете свое транспортное средство, то периодически сталкиваетесь с проблемой отказа той или иной электрической системы. Разобраться в поломке вам поможет эл. схема проводки. Имея электросхему ВАЗ 2106, можно прозвонить цепь при помощи вольтметра, определить место поломки и совершить ремонт оборудования.
Поиск места поломки следует начать с замка зажигания. Этот многофункциональный прибор выполняет роль управляющего механизма зажигания, системы охраны авто и дает возможность буксировки машины при включенной аварийной сигнализации.
https://youtube.com/watch?v=RUl65pclHjA
Левая нижняя часть схемы электропроводки ВАЗ-2106

На этой части схемы показываются элементы и запчасти, отвечающие за работу двигателя и системы электропроводки (стартеры, реле и т.д.).
При просматривании сверху вниз можно увидеть следующие элементы:
- Комплект электромагнитных клапанов карбюратора машины (21);
- Конструкция генератора автомобиля (22) и непосредственно сам стартер (23);
- Аккумуляторные клеммы батареи (24);
- Комплект различных типов реле, отвечающих за получение заряда для всей системы от аккумуляторных батарей (25), включение фар с ближним (26) и дальним светом (27), а также реле, контролирующее работу стеклоочистителя (28);
- В конце указывается подключение к дополнительному блоку предохранителей (29).
