Конструкция системы освещения
Оптика для Калины изготавливаются на двух заводах:

Устройство фары Лада Калина не отличается от большинства автомобилей. Фонарь имеет ближний и дальний модули, блоки с поворотниками и габаритными огнями. В новом кузове Калины габариты также играют роль ходовых огней.
В оптике Калины используются лампы:
- ближний – H7, 55W;
- дальний – H1, 55W;
- указатели поворотов – PY21W, 21W;
- габариты – W5W, 5W.
Световые элементы от габаритов подходят в модуль освещения номерного знака на крышке багажника. С 2013 года в Калину устанавливается модернизированная оптика, где за габарит и дневной огонь отвечает деталь W21/5W. В противотуманках устанавливаются лампы формата H11 с мощностью в 55W.
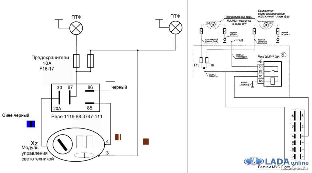
Схема подключения ПТФ на Калину
В комплекте идет инструкция по установке:


А также схема (фото слева). Схема может быть доработана (фото справа) добавлением еще одного реле, которое не позволит гореть противотуманкам после выключения зажигания.


Схема подключения кнопки противотуманок:

Для владельцев Лада Калина с МУС схема подключения противотуманок следующая:

Распиновка контактов МУС Лада Калина:
- Контакт 1 — к ЗПТО
- Контакт 2 — кнопка управления ЗПТО
- Контакт 3 — индикатор (светодиод) состояния ПТФ (включены или выключены);
- Контакт 4 — вывод включения реле ПТФ
- Контакт 30 — 12в (постоянный + приходящий от АКБ)
- Контакт 31 — Общий минус (масса).
- Контакт 56 — К ближнему и дальнему свету фар.
- Контакт 58 — К габаритным огням.
- Контакт 58b -выход (регулируемое напряжение)на подсветку ручек, кнопок и панели приборов.
- Контакт XZ — (+) от замка зажигания
Напомним, что другие фотоотчеты вы можете найти в разделе Тюнинг Лада Калина.
Противотуманные фары
ПТФ на Калину устанавливаются только на дорогие комплектации. Однако с завода проложена вся проводка и присутствуют «ушки» для крепежа на бампере. Чтобы установить фары, придется докупить клавишу включения, рамки в цвет кузова и реле.
Установка противотуманных фар:
- Отверткой снять заглушки под ПТФ.
- Прикрутить фонари в штатные выемки.
- Защелкнуть рамки, чтобы скрыть лишнюю полость.
В Лада Калина Кросс используются черные матовые заглушки, которые не требуют окраски. При монтаже своими силами следует заранее купить болты для крепления фары.
Как подключить электрическую часть
Подключение ПТФ в штатную проводку не занимает много времени. Для поиска косы следует осмотреть район лонжерона в месте входа основного пучка. Штекер для ПТФ примотан к проводам изолентой.
Противотуманные фары Калина 2 часто комплектуются подробной инструкцией и дополнительным переключателем, который нужно установить вместо старого модуля для включения света. Подключение к заранее проложенной проводке не занимает много времени и не требует прокладки дополнительных контактов.

При отсутствии кабелей питания в косе придется самостоятельно протягивать провода в салон, подключать их к разъему, противотуманки с плюсом и минусом и подключать через реле.Подробное описание подключения прилагается в комплекте с деталью в виде схемы.
В процессе монтажа потребуется:
- изолента;
- медные провода;
- гофра;
- разъемы, подходящие для ламп.
Виды ПТФ и способы их установки на Калину
- Сдвоенные.
- Круглые.
- Для наружной установки.
- Квадратные.
- Утапливаемые.
- Овальные.
- Противотуманные фары Bosch. Немецкий экземпляр, который отличается высоким качеством стекла и дальностью света. Продаются они только парой.
- Противотуманные фары «Луч». Один из аналогов немецкой продукции, стоимость которых значительно ниже оригинала. Однако и качество их далеко не то, каким обладают немецкие противотуманки.
- Противотуманки ProSport от китайского производителя, который изготавливает запчасти для российских автомобилей.
- ПТФ «Киржач». Имеют линзообразные стекла, которые позволяют сконцентрировать дальность и яркость потока света.
Существуют два распространенных способа установки фар против тумана.
Новичкам рекомендуется выполнять замену ПТФ, предварительно сняв передний бампер. На фото можно увидеть, что входит в установочный комплект противотуманных фар.
Виды ПТФ и способы их установки на Калину

Стильные фары для Калины
Существует большое количество противотуманных фар, которые можно устанавливать на автомобиль Лада Калина. ПТФ могут быть следующих видов.
- Сдвоенные.
- Круглые.
- Для наружной установки.
- Квадратные.
- Утапливаемые.
- Овальные.
Однако на самом деле далеко не все вышеперечисленные модели можно установить вместо заводских противотуманок на Калину. При необдуманной покупке автовладельцам приходится переделывать крепления. Если вы хотите этого избежать, лучше всего приобретать один из комплектов ПТФ, выпускаемых следующими производителями.
- Противотуманные фары Bosch. Немецкий экземпляр, который отличается высоким качеством стекла и дальностью света. Продаются они только парой.
- Противотуманные фары “Луч”. Один из аналогов немецкой продукции, стоимость которых значительно ниже оригинала. Однако и качество их далеко не то, каким обладают немецкие противотуманки.
- Противотуманки ProSport от китайского производителя, который изготавливает запчасти для российских автомобилей.
- ПТФ “Киржач”. Имеют линзообразные стекла, которые позволяют сконцентрировать дальность и яркость потока света.
Следует отметить, что все противотуманные фары вышеперечисленных производителей идеально подходят для авто Лада Калина и не потребуют проведения каких-либо дополнительных манипуляций. Все, что нужно будет сделать — это снять старые заглушки и вместо них установить новые ПТФ. В комплекте с новыми противотуманками идут 4 заглушки, которые при необходимости можно окрасить в другой цвет для придания автомобилю большей стильности.

Схема подключения ПТФ
Существуют два распространенных способа установки фар против тумана.
- Со снятием переднего бампера (способ, который будет описан).
- Без снятия бампера — метод используется опытными мастерами, которые не один год занимаются ремонтом автомобилей.
Новичкам рекомендуется выполнять замену ПТФ, предварительно сняв передний бампер. На фото можно увидеть, что входит в установочный комплект противотуманных фар.
Обслуживание и замена задней фары
Чтобы заменить лампы в заднем фонаре Калина 2 универсал и хетчбэк, нужно снять всю блок-фару. Для этого нужно:
- Отщелкнуть заглушку рядом с болтом ремня безопасности.
- Открутить гайку.
- Открыть окошко уплотнителя и открутить оставшиеся крепежи.
- Вытащить фонарь.
- Лампы вытаскиваются с помощью поворота цоколя против часовой стрелки.
При замене ламп в кузове хэтчбек следует аккуратно снимать гайки, чтобы они не закатились под обшивку. Утерянная деталь будет греметь во время вождения, и в конечном итоге придется разбирать все багажное отделение.
В Калине седан присутствуют специальные отсеки в мягкой обивке для доступа к гайкам. Снимать дополнительные заглушки не потребуется.
Чтобы поддерживать автомобиль в отличном состоянии, требуется периодически выполнять замену ламп, чистить оптику или устанавливать новую. Для снятия передних, задних фар и противотуманок в Калине не требуется дорогостоящих инструментов и специальных знаний.

Противотуманные фары (ПТФ) являются дополнительным источником света. Плоский и широкий горизонтальный луч этих фар стелется непосредственно над дорогой, что позволяет улучшать освещение дороги в условиях тумана. На Лада Калина ПТФ устанавливались не во всех модификациях, поэтому вопрос «как поставить противотуманки на Калину» до сих пор актуален.
Какую оптику лучше выбрать
В процессе использования машины фонари подвергаются резким перепадам температуры, ударам камнями и мелкими песчинками. Эти факторы отрицательно влияют на стекло, снижают его прозрачность, ухудшая характеристики света.

С завода устанавливаются качественные фары, которые соответствуют требованиям по безопасности. Неофициальные замены комплектуются линзами под ксенон, «ангельскими глазками» и измененной геометрией рефлектора. Такие фонари выглядят красиво, однако изнашиваются быстрее из-за некачественных материалов и могут запотевать при влажной погоде.
Выбирая новую оптику, лучше довериться официальным производителям – Bosch или «Автосвет»
При покупке важно уточнить модификацию кузова и год выпуска Калины. В зависимости от комплектации встречаются притемненные маски или улучшенные световые характеристики
Оптика ближнего и дальнего света
В зависимости от типа кузова в Калине установлены разные детали:
- седан, хетчбэк – стандартная оптика;
- спорт, универсал – оборудуются более вытянутым отражателем с увеличенной площадью для повышения площади освещения на 20%.
Чтобы подключить улучшенную оптику на Калину, не нужно прокладывать дополнительные провода или менять контактные разъемы. По точкам крепления и форме оптика не отличается.
При покупке фонарей следует обратить внимание на оригинальные детали с улучшенными показателями. Это позволит повысить характеристики луча без вмешательства в проводку и переделки штатного крепежа
Противотуманные фары
Покупая новые ПТФ, выбирать лучше из оригинальных деталей. Штатные фонари оборудованы прочным стеклом и качественным рефлектором, который направляет луч в соответствии с ГОСТ.

Противотуманки на Калину производят:
Модели отличаются по форме стекла, по качеству различий нет. Фары подключаются к штатной проводке и устанавливаются в крепления на бампере. В базовых комплектациях отсутствуют противотуманки. Для их подключения придется дополнительно приобрести кнопку в салон, реле ПТФ и демонтировать заглушки бампера.
В магазинах встречаются модернизированные фонари с линзами для газоразрядных ламп или светодиодными модулями. Такая продукция не сертифицирована для использования в Калине, поскольку не соответствует требованиям по безопасности транспорта. За такие детали можно получить штраф и предписание на устранение неисправности в течение 10 рабочих дней.
Регулировка фар своими руками
После установки нужно отрегулировать направление и яркость света противотуманок. Для этого автомобиль ставится на ровную поверхность на расстоянии 5 метров от стены. Далее одна фара закрывается, например, картонкой или жестянкой. Вращая винт для регулировки, нужно сделать так, чтобы граница исходящего света была на 0,5 м ниже уровня светового потока основных фар.
Для наиболее точной регулировки используется специальный прибор реглоскоп, однако можно обойтись и без него. На этом процесс установки новых противотуманных фар заканчивается. Если все этапы были выполнены правильно, новые ПТФ будут служить долго и надежно.
Что нужно иметь под рукой
Для выполнения работ вооружимся следующими предметами:
- ключами на 8 и 10;
- отвертками плоскими и крестообразными;
- ключом на 6 граней, регулирующим распространение света;
- изолентой, кусачками, плоскогубцами (возможно, паяльником);
- стяжками для крепления проводки и куском прочной проволоки из стали;
- собственно, фарами;
- самое главное, что понадобится для ремонта — комплект для подключения противотуманных фар на Калину.
Несмотря на то, что заглушки, которые входят в комплектацию, обычно черного цвета, вы можете покрасить их под цвет кузова, как только пожелаете. Качественные противотуманки обычно оснащены неплохими по свои характеристикам лампочками Philips.
Комплект, куда входит кнопка включения противотуманных фар Калины, а также провода, колодки и разъемы, реле включения потребуется приобрести отдельно. Однако в случае, если в вашей машине есть кондиционер, то и место под кнопку автоматически занято.
Совет: В таком случае приобретайте отдельно кнопку прямоугольной формы и устанавливайте ее в соответствующее отверстие рядом с прикуривателем.
Последовательность выполнения работ
Итак, ниже представлена подробная инструкция, воспользовавшись которой вы можете без труда оснастить свою любимицу противотуманками:
- как и в ряде других электроработ, наши действия начинаются с отключения питания от АКБ (клемма «минус»);
- теперь можно приступать к демонтажу бампера. Нам необходимо выкрутить винты и снять черные пластиковые решетки. Возможно, потребуется снятие номерного знака;
- решетки и бампер крепятся саморезами и винтами — вы сможете их нащупать руками, даже без ямы. Когда снимете бампер, то увидите, что места крепления обозначены стрелками. Это позволит в будущем выполнять такие работы гораздо быстрее;
- колесные арки дополнительно удерживают бампер 3-мя саморезами — не забудьте выкрутить их также;
- теперь можно бережно начинать выводить из-под арок боковины бампера, используя раскачивающие движения, и снимаем его целиком. Заглушки отгибайте при помощи плоской отвертки;
- сами противотуманки крепятся на тройку саморезов каждая;
- теперь нам нужно дотянуть проводку в салон (как показывает видео в этой статье). Многие рекомендуют в этом месте снять водительское колесо и арочную защиту;
- там, где располагается сцепления педаль, обнаружим то место, где провода собраны в жгутик и толкаем наружу уплотнитель;
- теперь можно протягивать проводку с применением жесткой стальной проволоки. Суть состоит в том, чтобы затянуть проводку из салона в пространство под капотом. Можно сразу предусмотреть проводку для подключения светодиодных габаритных огней, , сигнализации, дистанционного открытия капота и всего прочего, что еще не установлено;
вместе с фабричными будут проходить наши новые колодки проводов, после чего их можно стянуть вместе пластиковыми стяжками по типу хомутов. Если есть потребность, в этом может помочь схема подключения противотуманных фар на Калине;
Собираем фару полностью
Продолжаем наш алгоритм установки ПТФ:
- сохраняем требуемую длину для противотуманок и начинаем прикручивать к болтам отрицательные клеммы. Можно использовать для этого любые болты, располагаемые на металлических частях кузова, кроме болтов крепления картера двигателя, поскольку через них отсутствует нормальный контакт между защитой и кузовом машины;
- под решеткой радиатора удобнее будет протянуть провод к правой фаре;
- в случае необходимости удлинения проводов делайте скрутку, а лучше даже пропаяйте это место и заизолируйте;
- мощность, которую потребляют противотуманки, требует подключения через реле, которое управляется кнопкой (см. фото);
- возьмите питание от розового проводка, что ведет к блоку предохранителей (реле К7). Оно предназначено для включения дальнего освещения, а напряжение на нем появляется только при включенном зажигании;
- используем предохранитель на 15 Ампер;
- контакты от реле посредством проводов с сечением не меньше 0,75 мм подключаются к проводам противотуманных фар и к реле;
- после выполнения всех подключений необходимо проверить как мы собрали наш комплект и есть ли питание в цепи. Для этого подсоединим массу автомобиля и проверим, как светят фары при включении от кнопки;
осталось в обратном порядке собрать бампер, наблюдая при этом, чтобы не произошло нигде защемления проводов. Цена и степень сложности такого ремонта будут под силу любому владельцу Калины. Для того, чтобы произвести регулировку света фары, снизу есть доступ к регулировочному винту.
Передние фары
Самостоятельная замена фары потребует подготовки автомобиля и инструментов. Для работы потребуется:
- набор гаечных ключей;
- отвертки;
- тряпка;
- перчатки для защиты рук.

Для удобства работы нужно заранее помыть Калину и убрать пространство в гараже. Чтобы заменить фары, требуется демонтировать бампер и открутить несколько крепежных болтов.
Демонтаж
Действия, необходимые, чтобы снять фары:
- Открыть крышку капота.
- Отключить клемму аккумулятора.
- Вытащить клипсы из передней части подкрылка.
- Открутить крепеж решетки радиатора и снять ее.
- Отщелкнуть все клипсы по контуру бампера и выкрутить саморезы.
- Снять бампер, не поцарапав уголки крыльев и фары.
- Отключить штекер питания оптики.
- Открутить два винта, удерживающие фонарь сверху.
- Отвернуть нижние болты фары.
- Аккуратно снять деталь.
Ремонт
Для разборки фары Калины потребуется их демонтаж. Выполнить ремонт фары Калины можно с помощью полировки стекла, его замены, промывки внутренних деталей или восстановления отражателя.

Чтобы снять стекло, потребуется:
- Демонтировать деталь.
- Нагреть фары в коробке с помощью фена.
- Оторвать стекло.
- Провести все требуемые работы и собрать фонарь с помощью специального герметика.
Чтобы разобрать фару, потребуется несколько часов времени в зависимости от опыта автовладельца. Замена стекол фар Калины улучшит экстерьер и повысит светопропускаемость.
Во время работы важно соблюдать технику безопасности, не оставлять фен без присмотра и использовать перчатки
Монтаж
Перед установкой фонарей следует промыть места крепления и посадочное пространство. Монтаж выполняется в следующем порядке:
- Подключается штекер питания.
- Совмещаются крепления фары Калины и притягиваются штатными болтами.
- Навешивается бампер спереди и прикручивается на саморезы.
- Устанавливается радиаторная решетка.
- Возвращаются клипсы левого и правого подкрылков.

В версиях с противотуманными фонарями придется дополнительно подключить разъемы к лампам при установке бампера и отключить во время снятия.
Инструкция по монтажу противотуманок на Ладу
Данная инструкция является пошаговой, поэтому в обязательном порядке нужно соблюдать последовательность действий. Нарушение этапов установки может привести к ошибкам монтажа и отсутствию желаемого результата.
- Для начала необходимо снять передний бампер. Чтобы это сделать, нужно предварительно выкрутить крепежные элементы. Саморезы находятся снизу бампера под решеткой. Кроме того, нужно выкрутить крепеж в арках колес, с его помощью крепятся края бампера. Боковины бампера необходимо вывести из-под арок обоих колес. После этого бампер полностью снимается.
- Далее следует вытащить заглушки, при этом защелки можно отогнуть при помощи плоской отвертки. Теперь с помощью саморезов нужно прикрутить противотуманки. Каждая ПТФ крепится на 3 самореза.
- Следующие действия проводят внутри салона авто. Заглянув под ноги, точнее, под педаль сцепления, можно увидеть пучок проводов. В этом месте нужно вытолкнуть уплотнитель, после чего при помощи металлической проволоки вытянуть провода от противотуманок, которые проходят рядом с основными.
- Провода от ПТФ необходимо соединить с основными, а весь пучок стянуть, используя хомуты из пластика.
- Напротив самих противотуманок нужно оставить провода такой длины с разъемами, чтобы их можно было легко зафиксировать при помощи стяжек. Что касается минусовых клемм, то их следует крепить к винтам на кузове авто.
- Поскольку общая мощность, которую потребляют ПТФ, составляет 110 Вт, подключать их нужно только через реле с управляющей кнопкой. Саму кнопку можно установить на приборную доску либо рядом с зажигалкой. Для того чтобы подвести питание к фарам, необходимо подключить к реле розовый провод, который находится в блоке предохранителей.
- Предохранитель, к которому подключается ПТФ, должен быть рассчитан на 15 А. Силовые контакты реле 30 и 87 подключаются к проводам на противотуманки.
- После выполненных работ нужно проверить правильность соединений, подключив клемму аккумулятора. Теперь нажимается кнопка в салоне. Если все в порядке и фары работают, можно приступать к заключительному этапу. Для более необычного «холодного» освещения можно установить в противотуманки ксенон.
- При установке бампера на автомобиль действия выполняются в обратной последовательности. Теперь необходимо еще раз проверить правильность работы всей системы.
https://youtube.com/watch?v=EWf26zorRV0
Какие выбрать фары
Заводская технология предусматривает монтаж фар в люксовой комплектации. Ведь на сегодняшний день такие изделия выпускаются многими производителями, большими и мелкими.
Совет: лучше останавливать свой выбор на изделиях, которые изготавливают в Рязани и Киржаче. Они все-таки имеют больший ресурс службы по сравнению с китайскими аналогами.
Если вы хотите установить «противотуманки» своими руками, вам понадобится схема подключения противотуманных фар на Калину.
Порадуем автолюбителей тем, что ни вырезать, ни сверлить бампер не понадобится. Просто снимаем защитные заглушки, а накладки разработаны таким образом, чтобы они совпадали с вырезами на бампере.
Штатные противотуманки оснащаются патроном типа Н11. Поэтому вся установка будет связана с демонтажом переднего бампера, после чего нужно будет тянуть в салон проводку в машине от фар. Устанавливаем кнопку включения фар и подключаем питание.
Выводы
Ознакомившись с информацией, которая дана в статье, вам будет проще ориентироваться за рулем и контролировать работу систем автомобиля Лада Калина.
Расположение ламп в заднем фонаре: 1 — патрон лампы сигнала торможения; 2 — патрон лампы заднего хода; 3 — патрон лампы указателя поворота; 4 — патрон лампы противотуманного и габаритного света

При открытой двери багажного отделения головкой «на 8» отворачиваем два болта крепления фонаря к задней стойке кузова.
Преодолевая сопротивление двух фиксаторов фонаря, входящих в пластмассовые держатели на кузове, сдвигаем фонарь назад и отводим от кузова.
Повернув патрон лампы противотуманного и габаритного света против часовой стрелки, вынимаем патрон с лампой из корпуса фонаря.

Комбинированная лампа противотуманного и габаритного света имеет два выступа, расположенных на разных уровнях и несимметрично относительно оси лампы.
Устанавливаем задний фонарь в обратной последовательности.
Автомобиль с кузовом седан

Положение ламп в заднем фонаре: 1 — света заднего хода; 2 — сигнала торможения; 3 — указателя поворота; 4 — габаритного и противотуманного света
Для замены ламп в заднем фонаре достаточно отвернуть гайки его крепления, не отсоединяя колодку проводов.

Рукой проталкиваем наружу уплотнительный резиновый чехол проводов из отверстия в кузове.
Ключом или высокой головкой «на 10» отворачиваем три гайки крепления фонаря (третья гайка находится под обивкой и на фото не видна).
Отводим фонарь, вытягивая провода через отверстие в кузове.
Повернув патрон лампы габаритного и противотуманного света против часовой стрелки, вынимаем патрон с лампой из корпуса фонаря.
Нажав на лампу, поворачиваем ее до упора против часовой стрелки и вынимаем лампу из патрона.
Устанавливаем фонарь в обратной последовательности.
Как заменить лампы в задних фонарях Lada KalinaКак заменить лампы в задних фонарях Lada KalinaФото: За рулем.РФ
Противотуманная фара снимается в случае проведения кузовных работ или в случае ее замены. На автомобиле Лада Калина применяются противотуманные фары производсва Bosh (г. Рязань) и завода ООО АВТОсвет (г. Киржач), именно эти производители авторизованы АВТОВАЗом. В случае если вы на меняете, а устанавливаете противотуманные фары впервые, то более подробную информацию о их подключении, вы найдете в статье «Установка противотуманных фар Лада Granta, Калина»
Инструменты для замены противотуманной фары на автомобиле Лада Калина:Вам потребуются: ключ ТОRХ Т20, отвертка с плоским лезвием.
Операции по замене противотуманной фары
1. Отсоедините аккумуляторную батарею.2. Снимите передний защитный подкрылок, чтобы получить доступ к бамперу с обратной стороны. Снимается соответсвенно тот подкрылок, с какой стороны вы меняете противотуманную фару.3. Сжав фиксатор, отсоедините жгута проводов от лампы противотуманной фары.4. Выверните три винта снимите противотуманную фару с автомобиля

5. Противотуманная фара на автомобиль устанавливается в обратном порядке.6. Произведите регулировку противотуманной фары

https://youtube.com/watch?v=dHgb5X1z7_E
Источники
- http://carfrance.ru/obzor-paneli-priborov-na-lada-kalina-opisanie-lamp-i-indikatorov/
- http://car-maximum.ru/stati/kak-zamenit-lampy-v-zadnih-fonariah-lada-kalina.html
- http://www.autosecret.net/lada-kalina/kuzov-lada-kalina/1139-2012-02-18-16-17-07
